设为首页
工作邮箱
搜索
首页
机构概览
动态要闻
信息公开
在线办事
互动回应
专题专栏
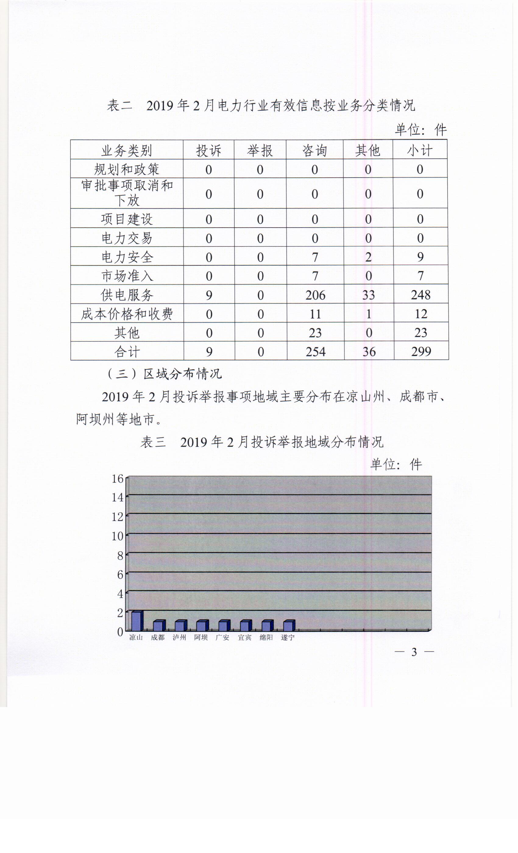
2019年2月12398能源监管热线投诉举报处理情况通报
2019-03-12 09:50
来源:四川能源监管办
Aa
字体:
小
|
中
|
大
扫一扫在手机打开当前页